Científicas del CONICET proponen método biológico para frenar a un patógeno de las heladeras

Se trata de la bacteria que produce la listeriosis, una enfermedad transmitida por alimentos, que incluso puede multiplicarse en el frío y a la que los investigadores pretenden combatir con otro microorganismo. El avance podría aplicarse en la industria de los comestibles.

0
3283
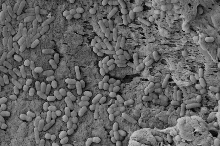
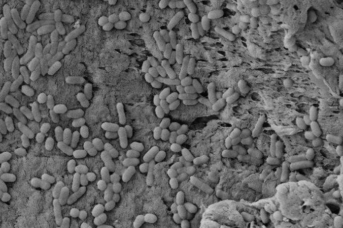
Microscopia electrónica del biofilm de Listeria monocytogenes, un patógeno de las heladeras. Foto: gentileza investigadora.

Con un microorganismo inocuo para la salud humana, científicas del Consejo Nacional de Investigaciones Científicas y Técnicas (CONICET) de la ciudad de Tucumán lograron inhibir a la bacteria de la listeriosis, una enfermedad transmitida por alimentos que puede ser fatal y que ni siquiera puede controlarse conservando los productos en la heladera: el germen responsable puede crecer a temperatura de refrigeración y hasta sobrevive en el freezer.

El desarrollo está destinado a la industria procesadora de alimentos, incluyendo sus instalaciones refrigeradas, informaron investigadoras del Centro de Referencia para Lactobacilos (CERELA), que depende del CONICET.

La bacteria de la listeriosis, Listeria monocytogenes, se encuentra en el medio ambiente y puede contaminar alimentos tales como verduras, lácteos y carnes. Y una de sus características es que puede formar películas abigarradas o “biofilms” sobre superficies de acero inoxidable y teflón, como las que tienen los establecimientos industriales.
Para desarmar esa “trinchera” microbiológica y fuente de contaminación, las investigadoras del CERELA recurrieron a una bacteria láctica, Lactobacillus sakei CRL1862, “que produce metabolitos antimicrobianos”, explicó la autora principal del trabajo, la doctora Mariana Pérez Ibarreche.

Según revela la revista “FEMS Microbiology Letters”, el enfoque tuvo resultados prometedores: la bacteria láctica logró inhibir del 40 al 70 por ciento el crecimiento del biofilm del patógeno.

“Nuestra tecnología podría transferirse a la industria luego de poner a punto el método de suministro del agente antimicrobiano a las superficies”, afirmó Pérez Ibarreche, quien firmó el trabajo con dos colegas del CERELA, las doctoras Patricia Castellan, y la directora del proyecto, Graciela Vignolo, y también Alexandre Leclercq, del Instituto Pasteur de París, Francia.

Fuente: CONICET